Zavřít
dnes je 9.2.2026

Input:

Praktický příklad prevenčních nástrojů - výroba skleněných vláken

22.4.2010, , Zdroj: Verlag Dashöfer

18.6.6
Praktický příklad prevenčních nástrojů - výroba skleněných vláken

Ing. Monika Becková

Výroba skleněných vláken

Výroba skleněných vláken je součástí sklářského průmyslu. Prevenční projekt byl uplatněn v provoze velkého výrobce skleněných vláken v České republice, který je součástí nadnárodního konsorcia. Odpadní vody, které při výrobě vznikají, jsou složeny z lubrikačních, apretačních a oplachových vod. Zejména znečištění lubrikacemi se významně podílí na zatížení odpadních vod, protože v lubrikačních lázních převažují organické komponenty. Řešení problematiky těchto vod pomocí prevenčních postupů bylo v rámci tohoto konsorcia pilotním projektem.

Charakteristika procesu

Tenká skleněná vlákna se vyrábějí z bezalkalického hlinito-boritého skla. Sklovina vytéká z trysek jako vějíř vláken, prochází lehkým vodním ostřikem a pak přes lubrikační zařízení, které na vlákna nanáší ochranný lubrikační přípravek. Poté se vlákna sdružují do pramenů, které jsou navíjeny na vyměnitelnou manžetu v malých úhlech tak, aby vznikl kokon, který usnadňuje následné odvíjení. Kokon pokrytý lubrikací je mokrý, proto následuje vysušení a kondicionace. Poté se kokony vláken zpracovávají na prodejné výrobky, například sklovláknité textilní příze.

Požadované chemicko-fyzikální vlastnosti získávají skleněná vlákna tím, že se namáčejí do lubrikačních lázní. Lubrikační lázně jsou emulze polymerů, anionaktivních a neionogenních tenzidů, škrobů, organických alifatických aminů kvarterizovaných kyselinou octovou a organokřemičitých sloučenin - silanů, desinfekčních prostředků apod. Jedná se o stabilní systémy, jejichž stabilita je dána přítomností emulgátorů a škrobu, které působí v tomto stabilním systému jako ochranné koloidní látky. Ve výrobním procesu se používá několik typů lubrikačních lázní různého složení dle požadavku na konečný výrobek. Vlastní poměr používaných látek je předmětem know-how výrobce skleněných vláken.

Lubrikační lázně jsou připravovány z následujících surovin: oxamyl, žitná mouka, vantocil, althosan, pokrmový tuk, tween, neoxil, amidoamid, silan, kyselina octová, parafin, stearin, spolex, slovapol, klih, želatina.

Schéma tažného stanoviště

Analýza procesu

Pro výběr technologie čištění odpadních vod, obsahujících emulze, jsou zásadní zejména tři hlavní oblasti rozhodování:

  • složení vypouštěných odpadních vod (typ emulze, vlastnosti emulgátorů, citlivost na pH, teplotu apod.),

  • objem vypouštěných odpadních vod, určených k čištění,

  • požadavky na kvalitu vyčištěné vody,

  • požadavky na další použití vyčištěné vody.

Způsoby separace emulzí z odpadních vod jsou následující:

  • mechanické - filtrace, ultrafiltrace, odstřeďování,

  • fyzikální - adsorpce, elektroforéza,

  • termické - odpařování, spalování, zahřívání,

  • chemické - přídavek solí, kyselin, koagulantů a flokulantů,

  • biologické - použití mikrobiálních kultur.

Technologie chemického čištění odpadní vody s obsahem lubrikací je rozdělena do dvou hlavních fází.

Fáze destabilizace

Fáze destabilizace - jedná se o klíčovou fázi čistícího procesu. Hlavní důraz je kladen na způsob dávkování koagulantu tak, aby byla zajištěna jeho maximální destabilizační účinnost. Destabilizace nastává ihned po přidání koagulantu a probíhá relativně rychle. Na ni navazuje proces agregace vznikajících částic (vloček). Mícháním se zvyšuje počet srážek vzniklých částic a rychlost jejich spojování do větších agregátů, vhodných k separaci.

Fáze separace

Fáze separace - základními separačními postupy jsou sedimentace a flotace.

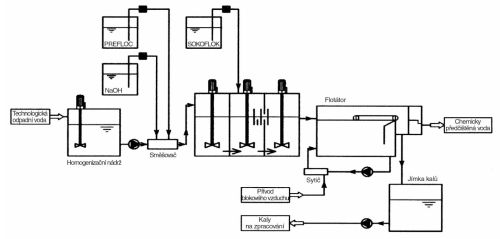
Vlastní zařízení čistírny odpadních vod je tvořeno tříkomorovou odpadní jímkou, na niž navazuje homogenizační nádrž.

Homogenizační nádrž je trvale promíchávána ponorným čerpadlem a jsou zde míseny odpadní vody s emulzemi s vodou kalovou a oplachovou. Doba zdržení v homogenizační nádrži je zhruba 8 hodin a zabezpečuje vyrovnání nárazových průtoků odpadních vod z hlediska množství i kvality.

Flokulátor je tříkomorová míchaná nádrž. V první komoře, která je opatřena rychloběžným míchadlem, nastává perikinetická fáze koagulace. V dalších dvou komorách, kde jsou umístěna míchadla pomaluběžná, nastává ortokinetická fáze koagulace.

Flotátor je základním prvkem čistící linky a musí zajistit nejen požadovanou kvalitu separace nečistot z odpadních vod, ale i vytvoření a odstranění flotačního kalu.

Zařízení čistírny odpadních vod je dále doplněno chemickým hospodářstvím, jímkou kalů, sytící tlakovou komorou a dalšími pomocnými objekty.

Technologické schéma chemického stupně ČOV

Zaměření projektu čistší produkce

Optimalizace procesu lubrikace

Popis opatření

Přestože výše popsaný proces čištění technologických odpadních vod byl vyhovující a chemicky předčištěná voda splňovala stanovené ukazatele, vedení organizace zvažovalo další možnosti, které by přispěly k optimalizaci technologického procesu výroby skleněných vláken tak, aby se zatížení odpadních vod emulzemi snížilo. Výsledkem rozhodnutí vedení bylo využití metodiky čistší produkce v procesu výroby skleněných vláken.

Celý proces výroby skleněných vláken byl podroben analýze vstupů a výstupů a byla identifikována problematická místa z hlediska vzniku znečištění.

Jako jedno z významných problematických míst byl identifikován proces lubrikace. Při předběžném expertním hodnocení při použití technologických předpisů a zkušeností technologů bylo uváděno, že množství lubrikací zachycených na skleněných vláknech je až 90 %. Podrobná analýza vstupů a výstupů s přesným měřením množství lubrikací vstupujících do procesu a následným množstvím lubrikací obsažených v odpadní vodě prokázala, že skutečné množství lubrikací zachycených na skelných vláknech se pohybuje kolem 25 %.

V rámci projektu čistší produkce pak byla realizována opatření, která vedla k optimalizaci procesu lubrikace. Vhodnost uplatněných opatření a jejich efektivita se pak projevila ve kvalitě odpadních vod.

Základním opatřením byla provedená úprava průměru lubrikačního válečku, aby došlo ke zmenšení styčné plochy válečku se skleněnými vlákny a tím k optimalizaci spotřeby lubrikace.

Ke snížení spotřeby lubrikace přispěla také organizační opatření, mezi která patří např. zpřísnění kontroly jednotlivých lubrikačních aparátů.

Ekonomické vyhodnocení

Snížení spotřeby lubrikací

Tendenci ve snižování nákladů na spotřebu lubrikací

Dasi - digitální asistent
Dasi
Nahrávám...
Nahrávám...